Introduction:
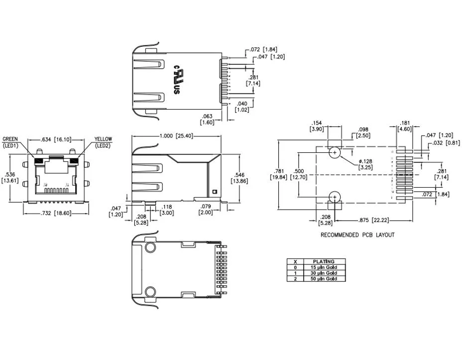
Advanced industrial networks rely on resilient components, and the shielded RJ45 connector integrated magnetics flawlessly manages 100Base-T Fast Ethernet traffic. A robust stainless steel shield entirely encapsulates the black hi-temp thermoplastic insulator to reject severe electromagnetic interference across extreme -40°C to 85°C temperatures. Secure printed circuit board installation depends on a strict mechanical board lock integrated seamlessly into the right-angle, surface mount architecture. Clear visual link tracking utilizes dual green and yellow LEDs positioned perfectly within the tab-up profile. Furthermore, gold-plated copper alloy contacts strictly maintain electrical resistance below 20mΩ to secure long-term signal clarity without degradation.
Key Features
- 100Base-T Speed: Delivers Fast Ethernet data transmission reliably.
- Industrial Temperature Range: Operates securely across extreme -40°C to 85°C environments.
- Stainless Steel Shielding: Full metal housing completely blocks severe electromagnetic interference.
- Surface Mount Design: Hi-temp thermoplastic incorporates a strict mechanical board lock.
- Dual-Color Status LEDs: Green and yellow lights track exact network activity.
Main Specifications:
General Information:
| Product No.: | MTJ-88SX1-FS-PG-LH-M243T-SMT | |
| Series: | MTJ | |
| Category: | RJ45 Magnetic Jacks | |
| Product Type: | RJ45 Jack | |
| Number of Positions/Contacts: | 8P8C | |
| Number of Ports: | 1×1 Port | |
| Mounting Orientation: | Right Angle | |
| Mounting Type: | Surface Mount | |
| Termination Method: | Solder | |
| Speed: | 100Base-T | |
| Integral Magnetics: | Yes | |
| PoE Rating: | Non-PoE | |
| Latch Direction: | Tab-Up | |
| Shielding: | Full Shield | |
| LED indicator: | Left: Green, Right: Yellow |
Electrical:
| Rated Voltage: | 150V AC | |
| Contact Resistance: | 20mΩ Max | |
| Insulation Resistance: | 500mΩ Min |
Materials and Plating:
| Insulator Material: | Hi-temp Thermoplastic | |
| Insulator Color: | Black | |
| Contact Material: | Copper Alloy | |
| Contact Plating: | Gold over Nickel Plated | |
| Shield Material: | Stainless Steel |
Environmental:
| Operating Temperature: | -40°C ~ +85°C | |
| Flammability Rating: | UL 94 V-0 |
Structure of Modular Jack
Engineering Options of RJ45 Modular Jack
Applications:
- Data Center Servers & Storage
- High-End Network Switches
- Industrial Ethernet Systems
- 5G Wireless Infrastructure
- IP Security and Surveillance
- Medical Imaging Equipment
- Smart Home and IoT Gateways
- Consumer Electronics and Gaming
Factory pricing and exceptional product quality. OEM & ODM Services. Get a free quote now! 


